Zufallsbild |
 |
 406 beim Eichen rücken
Kommentare: 0 dieseldriver
|
 |
|
 |
 |
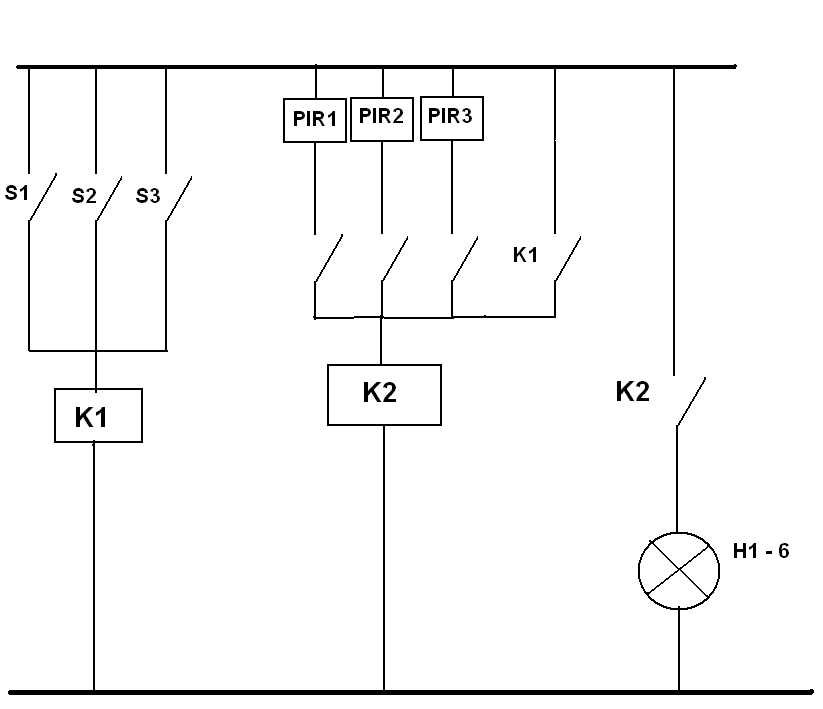
Pir Bewegungsmelder
| Pir Bewegungsmelder |
| Beschreibung: |
|
| Schlüsselwörter: |
|
| Datum: |
27.02.2007 19:08 |
| Hits: |
1998 |
| Downloads: |
0 |
| Bewertung: |
0.00 (0 Stimme(n)) |
| Dateigröße: |
27.9 KB |
| Hinzugefügt von: |
keuleeule |
|
|
 |